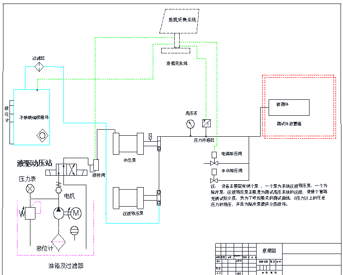
壓力脈沖原理圖解析
瀏覽:次 2022-11-30 13:29:04

隨著材料行業的不斷發展,后期對該設備的要求也會不斷提高。疲勞試驗機是一種很普遍的設備廣泛的應用在材料行業中。之所以受到了行業的認可和青睞,甚至成為不可或缺的設備,就是因為它自身存在很多優勢。既然疲勞試驗機有很多的優勢,那么你對疲勞試驗機設備有哪些特點哪些部件需要保養了解嗎?
本公司生產銷售的拉力機、拉力試驗機、萬能材料試驗機、拉力計、剝離力試驗機等儀器儀表性價比高,質量過關,產品能耗低,備受用戶的信任和支持。它的性能系統—力值傳感器和驅動傳感器是拉力機的核心所在。 拉力機的力值傳感器,因為傳用戶感器的好壞決定了試驗機的精度和測力穩定性。下面技術人員帶大家了解一下拉力機傳感器的不同以及易損部件是哪些?一起來看看吧:
拉力試驗機主要適用于金屬及非金屬材料的測試,如橡膠、塑料、電線電纜、光纖光纜、安全帶、保險帶、皮革皮帶復合材料、塑料型材、防水卷材、鋼管、銅材、型材、彈簧鋼、軸承鋼、不銹鋼(以及其它高硬度鋼)、鑄件、鋼板、鋼帶、有色金屬金屬線材的拉伸、壓縮、彎曲、剪切、剝離、撕裂、兩點延伸(需另配引伸計)等多種試驗。那么下面讓技術人員帶領我們去了解下:拉力試驗機的測試方法和使用須知有哪些?
橡膠拉力試驗機采用直流伺服電機及調速系統一體化結構驅動同步帶減速機構,經減速后帶動絲杠副進行加載。接下來,我們一起來看一下橡膠拉力試驗機檢查有哪些要點及操作規程:
在不同的行業領域中,一些產品運行過程中需要用到水或油液介質的話,都可能會出現漏油故障或漏水故障,只是不同的產品產生這類故障的原因和處理方法是不一樣的而已。那導致水壓試驗機漏油的原因以及處理數據不準的方法有哪些?讓技術人員帶領我們去了解吧!
液壓式壓力試驗機主要用于多種材料的壓縮試驗,例如:水泥、混凝土、各種建筑用磚、橡膠墊、混凝土構件、金屬構件等的抗壓強度試驗。那么,關于液壓壓力試驗機操作規程及延長其壽命的注意事項有哪些你知道嗎?